您好,欢迎来到慈溪市双跃电子有限公司!

导航
卡座
主要生产汽车安全带和各种多用插座

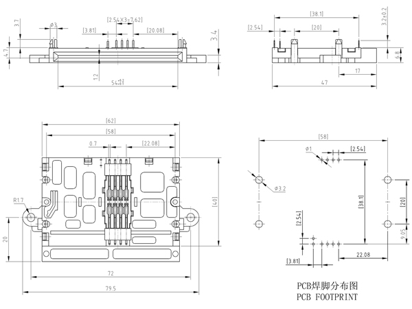
SY-218型IC卡座

SY-218型IC卡座

性能特点

l        摩擦式设计,八针触点,插拔次数超过10万次;

l        开关针自清洁,常开/常闭设计;

l        具有簧片保护栅板;

l        配有防异物门条;

l         自带保持夹便于操作和焊接,并可避免焊脚应力;

l        备有安装孔,方便固定。

适用范围

l         电表、水表、煤气表、电话机、门禁、读写器等。 

5.jpg

Copyright © 2021- 版权所有:慈溪市双跃电子有限公司 All Rights Reserved.

浙公网安备 33028202000095号