您好,欢迎来到慈溪市双跃电子有限公司!

导航
产品展示
主要生产汽车安全带和各种多用插座

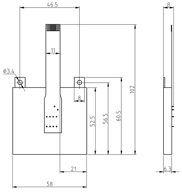
SY-108型IC卡座

性能特点

l        下落式设计,八针弹簧触点,有效减小磨擦,插拔次数超过50万次;

l        开关针常开设计;

l        不锈钢底板,结构坚固;

l        薄膜电缆连接,安装方便;

l         超薄型设计,节省空间。

 适用范围

电话机、读卡器、门禁、考勤机、校园一卡通等。


Copyright © 慈溪市双跃电子有限公司 All reserved. 浙ICP备09028924号-1